אוגנים - מידע טכני
|
מידות אוגנים |
||||||||||||||||
|
ASA (mm) |
||||||||||||||||
|
קוטר נומינלי |
ASA 150 |
ASA 300 |
ASA 600 |
קוטר נומינלי |
||||||||||||
|
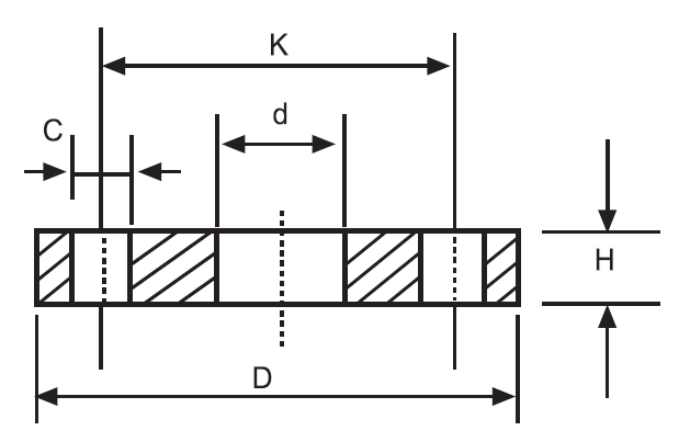
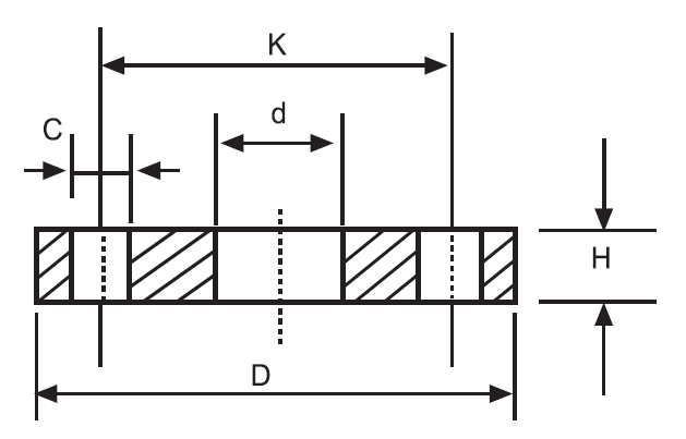
עובי (H) |
מרכז חורים (d) |
קוטר חיצוני (O) |
קוטר חורים (C) |
מספר חורים (N) |
עובי (H) |
מרכז חורים (d) |
קוטר חיצוני (O) |
קוטר חורים (C) |
מספר חורים (N) |
עובי (H) |
מרכז חורים (d) |
קוטר חיצוני (O) |
קוטר חורים (C) |
מספר חורים (N) |
||
|
1/2" |
11 |
60 |
89 |
15.9 |
4 |
15 |
67 |
95 |
15.9 |
4 |
14.3 |
66.7 |
95 |
15.9 |
4 |
1/2" |
|
3/4" |
12 |
70 |
98 |
15.9 |
4 |
15 |
83 |
117 |
19.1 |
4 |
15.9 |
82.6 |
115 |
19.1 |
4 |
3/4" |
|
1" |
14 |
79 |
108 |
15.9 |
4 |
17 |
89 |
124 |
19.1 |
4 |
17.5 |
88.9 |
125 |
19.1 |
4 |
1" |
|
11/4" |
16 |
89 |
117 |
15.9 |
4 |
19 |
98 |
133 |
19.1 |
4 |
20.7 |
98.4 |
135 |
19.1 |
4 |
11/4" |
|
11/2" |
17 |
98 |
127 |
15.9 |
4 |
21 |
114 |
156 |
22.2 |
4 |
22.3 |
114.3 |
155 |
22.2 |
4 |
11/2" |
|
2" |
19 |
121 |
152 |
19.1 |
4 |
22 |
127 |
167 |
19.1 |
8 |
25.4 |
127.0 |
165 |
19.1 |
8 |
2" |
|
21/2" |
22 |
142 |
178 |
19.1 |
4 |
25 |
149 |
190 |
22.2 |
8 |
28.6 |
149.2 |
190 |
22.2 |
8 |
21/2" |
|
3" |
24 |
152 |
191 |
19.1 |
4 |
28 |
168 |
210 |
22.2 |
8 |
31.8 |
168.3 |
210 |
22.2 |
8 |
3" |
|
4" |
24 |
191 |
229 |
19.1 |
8 |
32 |
200 |
254 |
22.2 |
8 |
38.1 |
215.9 |
275 |
25.4 |
8 |
4" |
|
5" |
24 |
216 |
254 |
22.2 |
8 |
35 |
235 |
279 |
22.2 |
8 |
44.5 |
266.7 |
330 |
28.6 |
8 |
5" |
|
6" |
25 |
241 |
279 |
22.2 |
8 |
38 |
270 |
318 |
22.2 |
12 |
47.7 |
292.1 |
355 |
28.6 |
12 |
6" |
|
8" |
28 |
298 |
343 |
22.2 |
8 |
41 |
330 |
381 |
25.4 |
12 |
55.6 |
349.2 |
420 |
31.8 |
12 |
8" |
|
10" |
30 |
362 |
406 |
25.4 |
12 |
47 |
387 |
444 |
28.6 |
16 |
63.5 |
431.8 |
510 |
34.9 |
16 |
10" |
|
12" |
32 |
432 |
483 |
25.4 |
12 |
50 |
451 |
521 |
31.8 |
16 |
66.7 |
489.0 |
560 |
34.9 |
20 |
12" |
|
14" |
35 |
476 |
533 |
28.6 |
12 |
54 |
514 |
584 |
31.8 |
20 |
69.9 |
527.0 |
605 |
38.1 |
20 |
14" |
|
16" |
36 |
540 |
597 |
28.6 |
16 |
|
|
|
34.9 |
20 |
76.2 |
603.2 |
685 |
41.3 |
20 |
16" |
|
מידות אוגנים |
|||||||||||
|
BS 10 Tables (mm) |
|||||||||||
|
קוטר נומינלי |
BS 10 Table D |
BS 10 Table E |
קוטר נומינלי |
||||||||
|
עובי (H) |
מרכז חורים (d) |
קוטר חיצוני (O) |
קוטר חורים (C) |
מספר חורים (N) |
עובי (H) |
מרכז חורים (d) |
קוטר חיצוני (O) |
קוטר חורים (C) |
מספר חורים (N) |
||
|
1/2" |
4.8 |
67 |
95 |
14.3 |
4 |
6.4 |
67 |
95 |
14.5 |
4 |
1/2" |
|
3/4" |
4.8 |
70 |
102 |
14.3 |
4 |
6.4 |
70 |
102 |
14.5 |
4 |
3/4" |
|
1" |
4.8 |
82 |
114 |
14.3 |
4 |
7.1 |
82 |
114 |
14.5 |
4 |
1" |
|
11/4" |
6.4 |
87 |
120 |
14.3 |
4 |
8 |
87 |
120 |
14.5 |
4 |
11/4" |
|
11/2" |
6.4 |
98 |
133 |
14.3 |
4 |
8.7 |
98 |
133 |
14.5 |
4 |
11/2" |
|
2" |
8 |
114 |
152 |
17.5 |
4 |
9.5 |
114 |
152 |
17.5 |
4 |
2" |
|
21/2" |
8 |
127 |
165 |
17.5 |
4 |
10.3 |
127 |
165 |
17.5 |
4 |
21/2" |
|
3" |
9.5 |
146 |
184 |
17.5 |
4 |
11.1 |
146 |
184 |
17.5 |
4 |
3" |
|
4" |
9.5 |
178 |
215 |
17.5 |
4 |
12.7 |
178 |
215 |
17.5 |
4 |
4" |
|
5" |
13 |
209 |
254 |
17.5 |
8 |
14.3 |
209 |
254 |
17.5 |
8 |
5" |
|
6" |
13 |
235 |
279 |
17.5 |
8 |
17.5 |
235 |
279 |
17.5 |
8 |
6" |
|
8" |
13 |
292 |
336 |
17.5 |
8 |
19 |
292 |
336 |
17.5 |
8 |
8" |
|
10" |
16 |
355 |
406 |
22.2 |
12 |
22 |
355 |
406 |
22.2 |
12 |
10" |
|
12" |
19 |
406 |
457 |
22.2 |
12 |
25 |
406 |
457 |
22.2 |
12 |
12" |
|
14" |
22 |
470 |
527 |
25.4 |
12 |
28 |
470 |
527 |
25.4 |
12 |
14" |
|
16" |
22 |
521 |
578 |
25.4 |
12 |
32 |
521 |
578 |
25.4 |
12 |
16" |
|
מידות אוגנים |
|||||||||||
|
EU (mm) |
|||||||||||
|
קוטר נומינלי |
ND16 |
ND40 |
קוטר נומינלי |
||||||||
|
עובי (H) |
מרכז חורים (d) |
קוטר חיצוני (O) |
קוטר חורים (C) |
מספר חורים (N) |
עובי (H) |
מרכז חורים (d) |
קוטר חיצוני (O) |
קוטר חורים (C) |
מספר חורים (N) |
||
|
1/2" |
14 |
65 |
95 |
14 |
4 |
|
65 |
95 |
14 |
4 |
1/2" |
|
3/4" |
16 |
75 |
105 |
14 |
4 |
|
75 |
105 |
14 |
4 |
3/4" |
|
1" |
16 |
85 |
115 |
14 |
4 |
|
85 |
115 |
14 |
4 |
1" |
|
11/4" |
16 |
100 |
140 |
14 |
4 |
|
100 |
140 |
18 |
4 |
11/4" |
|
11/2" |
16 |
110 |
150 |
18 |
4 |
|
110 |
150 |
18 |
4 |
11/2" |
|
2" |
18 |
125 |
165 |
18 |
4 |
|
125 |
165 |
18 |
4 |
2" |
|
21/2" |
18 |
145 |
185 |
18 |
4 |
|
145 |
185 |
18 |
8 |
21/2" |
|
3" |
20 |
160 |
200 |
18 |
8 |
|
160 |
200 |
18 |
8 |
3" |
|
4" |
20 |
180 |
220 |
18 |
8 |
|
190 |
235 |
22 |
8 |
4" |
|
5" |
22 |
210 |
250 |
18 |
8 |
|
220 |
270 |
26 |
8 |
5" |
|
6" |
22 |
240 |
285 |
22 |
8 |
|
250 |
300 |
26 |
8 |
6" |
|
8" |
24 |
295 |
340 |
22 |
12 |
|
320 |
375 |
30 |
12 |
8" |
|
10" |
32 |
355 |
405 |
26 |
12 |
|
385 |
450 |
33 |
12 |
10" |
|
12" |
|
410 |
460 |
26 |
12 |
|
450 |
515 |
33 |
16 |
12" |
|
14" |
|
|
|
|
|
|
|
|
|
|
14" |
|
16" |
|
|
|
|
|
|
|
|
|
|
16" |
|
מידות אוגנים |
||||||||
|
מידות אוגנים לצנרת פלסטיק #150 Back Ring |
||||||||
|
Nominal Pipe Size |
Outside Diameter |
Inside Diameter |
Thickness |
Bolt Circle Diameter |
Bolt Number |
Bolt Hole Diameter |
Weight Slip-On |
Weight - Blind |
|
1/2" |
88.90 |
26.00 |
10.00 |
60.45 |
4.00 |
15.70 |
0.38 |
0.43 |
|
3/4" |
98.60 |
34.00 |
10.00 |
69.85 |
4.00 |
15.70 |
0.47 |
0.54 |
|
1" |
108.00 |
42.00 |
10.00 |
79.25 |
4.00 |
15.70 |
0.55 |
0.66 |
|
11/4" |
117.30 |
51.00 |
10.00 |
88.90 |
4.00 |
15.70 |
0.63 |
0.79 |
|
11/2" |
127.00 |
62.00 |
10.00 |
98.55 |
4.00 |
15.70 |
0.70 |
0.93 |
|
2" |
152.40 |
78.00 |
10.00 |
120.65 |
4.00 |
19.10 |
0.97 |
1.34 |
|
21/2" |
177.80 |
90.00 |
12.00 |
139.70 |
4.00 |
19.10 |
1.63 |
2.23 |
|
3" |
190.50 |
110.00 |
12.00 |
152.40 |
4.00 |
19.10 |
1.68 |
2.58 |
|
4" |
228.60 |
133.00 |
12.00 |
190.50 |
8.00 |
19.10 |
2.34 |
3.65 |
|
5" |
254.00 |
|
|
215.90 |
8.00 |
22.20 |
|
|
|
6" |
279.40 |
178.00 |
14.00 |
241.30 |
8.00 |
22.20 |
3.66 |
6.40 |
|
8" |
342.90 |
238.00 |
14.00 |
298.45 |
8.00 |
22.20 |
4.92 |
9.81 |
|
10" |
406.40 |
294.00 |
14.00 |
381.95 |
12.00 |
25.40 |
6.13 |
13.59 |
|
12" |
482.60 |
338.00 |
16.00 |
431.80 |
12.00 |
25.40 |
10.94 |
22.21 |
|
14" |
533.40 |
378.00 |
25.00 |
476.25 |
12.00 |
28.60 |
|
42.34 |
|
16" |
596.90 |
432.00 |
25.00 |
539.75 |
16.00 |
28.60 |
|
52.90 |
|
18" |
635.00 |
515.00 |
25.00 |
577.85 |
16.00 |
31.80 |
|
59.66 |
|
20" |
698.50 |
533.00 |
25.00 |
635.00 |
20.00 |
31.80 |
|
72.09 |
|
24" |
812.80 |
645.00 |
25.00 |
749.30 |
20.00 |
34.90 |
|
98.06 |
|
מידות אוגנים |
||||||||||||||||||||||||
|
Class 150 (mm) |
||||||||||||||||||||||||
|
Nominal Pipe Size |
Outside Diameter |
Thickness |
Thickness of Lap Joint |
Raised Face Diameter |
Corner Radius of Bore |
Bore |
Length thru hub |
Thread Length Threaded Flange (Min) |
Socket Depth |
Diameter Hub at Bevel |
Hub Diameter |
Drilling |
Approximate Weight |
Nominal Pipe Size |
||||||||||
|
Welding Neck Socket |
Slip-On Socket Welding |
Lap Joint |
Welding Neck |
Slip-On Threaded Socket Welding |
Lap Joint |
Bolt Circle Diameter Holes |
Bolt Diameter |
Bolt Number |
Welding Neck |
Slip-On Threaded |
Lap Joint |
Blind |
Socket Welding |
|||||||||||
|
|
O |
C |
C1 |
R |
r |
B1 |
B2 |
B3 |
Y1 |
Y2 |
Y3 |
T |
D |
A |
X |
|
|
|
kg |
kg |
kg |
kg |
kg |
|
|
"1/2 |
90.0 |
9.6 |
11.2 |
34.9 |
3 |
15.8 |
22.2 |
22.9 |
46.0 |
14.0 |
16.0 |
16.0 |
10.0 |
21.3 |
30.0 |
60.3 |
15.9 |
4 |
0.51 |
0.47 |
0.51 |
0.47 |
0.47 |
"1/2 |
|
"3/4 |
100.0 |
11.2 |
12.7 |
42.9 |
3 |
20.9 |
27.7 |
28.2 |
51.0 |
14.0 |
16.0 |
16.0 |
11.0 |
26.7 |
38.0 |
69.9 |
15.9 |
4 |
0.73 |
0.58 |
0.64 |
0.63 |
0.59 |
"3/4 |
|
"1 |
110.0 |
12.7 |
14.3 |
50.8 |
3 |
26.6 |
34.5 |
34.9 |
54.0 |
16.0 |
17.0 |
17.0 |
13.0 |
33.4 |
49.0 |
79.4 |
15.9 |
4 |
1.07 |
0.86 |
0.93 |
0.94 |
0.87 |
"1 |
|
"11/4 |
115.0 |
14.3 |
15.9 |
63.5 |
5 |
35.1 |
43.2 |
43.7 |
56.0 |
19.0 |
21.0 |
21.0 |
14.0 |
42.2 |
59.0 |
88.9 |
15.9 |
4 |
1.4 |
1.08 |
1.16 |
1.23 |
1.11 |
"11/4 |
|
"11/2 |
125.0 |
15.9 |
17.5 |
73.0 |
6 |
40.9 |
49.5 |
50.0 |
60.0 |
21.0 |
22.0 |
22.0 |
16.0 |
48.3 |
65.0 |
98.4 |
15.9 |
4 |
1.81 |
1.41 |
1.51 |
1.62 |
1.45 |
"11/2 |
|
"2 |
150.0 |
17.5 |
19.1 |
92.1 |
8 |
52.5 |
61.9 |
62.5 |
62.0 |
24.0 |
25.0 |
25.0 |
17.0 |
60.3 |
78.0 |
120.7 |
19.1 |
4 |
2.59 |
2.26 |
2.38 |
2.64 |
2.33 |
"2 |
|
"21/2 |
180.0 |
20.7 |
22.36 |
104.8 |
8 |
62.7 |
74.6 |
75.4 |
68.0 |
27.0 |
29.0 |
29.0 |
19.0 |
73.0 |
90.0 |
139.7 |
19.1 |
4 |
4.28 |
3.43 |
3.6 |
4.06 |
3.55 |
"21/2 |
|
"3 |
190.0 |
22.3 |
23.9 |
127.0 |
10 |
77.9 |
90.7 |
91.4 |
68.0 |
29.0 |
30.0 |
30.0 |
21.0 |
88.9 |
108.0 |
152.4 |
19.1 |
4 |
5.18 |
3.87 |
4.04 |
4.9 |
4.02 |
"3 |
|
"31/2 |
215.0 |
22.3 |
23.9 |
139.7 |
10 |
90.1 |
103.4 |
104.1 |
70.0 |
30.0 |
32.0 |
32.0 |
- |
101.6 |
122.0 |
177.8 |
19.1 |
8 |
5.45 |
4.99 |
4.99 |
5.9 |
4.99 |
"31/2 |
|
"4 |
230.0 |
22.3 |
23.9 |
157.2 |
11 |
102.3 |
116.1 |
116.8 |
75.0 |
32.0 |
33.0 |
33.0 |
- |
114.3 |
135.0 |
190.5 |
19.1 |
8 |
7.32 |
5.75 |
5.96 |
7.41 |
5.99 |
"4 |
|
"5 |
255.0 |
22.3 |
23.9 |
185.7 |
11 |
128.2 |
143.8 |
144.4 |
87.0 |
35.0 |
36.0 |
36.0 |
- |
141.3 |
164.0 |
215.9 |
22.2 |
8 |
8.91 |
6.22 |
6.44 |
8.76 |
6.68 |
"5 |
|
"6 |
280.0 |
23.9 |
25.4 |
215.9 |
13 |
154.1 |
170.7 |
171.4 |
87.0 |
38.0 |
40.0 |
40.0 |
- |
168.3 |
192.0 |
241.3 |
22.2 |
8 |
11.26 |
7.38 |
7.59 |
11.31 |
7.99 |
"6 |
|
"8 |
345.0 |
27.0 |
28.6 |
269.9 |
13 |
202.7 |
221.5 |
222.2 |
100.0 |
43.0 |
44.0 |
44.0 |
- |
219.1 |
246.0 |
289.5 |
22.2 |
8 |
17.68 |
12.36 |
12.7 |
19.92 |
13.29 |
"8 |
|
"10 |
405.0 |
28.6 |
30.2 |
323.8 |
13 |
254.6 |
276.2 |
277.4 |
100.0 |
48.0 |
49.0 |
49.0 |
- |
273.0 |
305.0 |
362.0 |
25.4 |
12 |
24.79 |
17.1 |
16.8 |
29.39 |
19.5 |
"10 |
|
"12 |
485.0 |
30.2 |
31.8 |
381.0 |
13 |
304.8 |
327.0 |
328.2 |
113.0 |
54.0 |
56.0 |
56.0 |
- |
323.8 |
365.0 |
431.8 |
25.4 |
12 |
38.98 |
27.68 |
28.3 |
43.7 |
29.03 |
"12 |
|
"14 |
535.0 |
33.4 |
35.0 |
412.8 |
13 |
According To Purchaser Specification |
359.2 |
360.2 |
125.0 |
56.0 |
79.0 |
57.0 |
- |
355.6 |
400.0 |
476.3 |
28.6 |
12 |
51.71 |
35.2 |
41.5 |
59.42 |
38.56 |
"14 |
|
"16 |
595.0 |
35.0 |
36.6 |
469.9 |
13 |
410.5 |
411.2 |
125.0 |
62.0 |
87.0 |
64.0 |
- |
406.4 |
457.0 |
539.8 |
28.6 |
16 |
64.41 |
42.8 |
53.0 |
77.11 |
44.49 |
"16 |
|
|
"18 |
635.0 |
38.1 |
39.7 |
533.4 |
13 |
461.8 |
462.3 |
138.0 |
67.0 |
97.0 |
68.0 |
- |
457.0 |
505.5 |
577.9 |
31.8 |
16 |
74.84 |
49.71 |
59.0 |
94.8 |
54.43 |
"18 |
|
|
"20 |
700 |
41.3 |
42.9 |
584.2 |
13 |
513.1 |
514.4 |
143.0 |
71.0 |
103.0 |
73.0 |
- |
508.0 |
559.0 |
635.0 |
31.8 |
20 |
89.36 |
65.5 |
72.1 |
123.4 |
70.31 |
"20 |
|
|
"24 |
815.0 |
46.1 |
47.7 |
692.2 |
13 |
616.0 |
616.0 |
151.0 |
81.0 |
111.0 |
83.0 |
- |
610.0 |
663.0 |
749.3 |
31.8 |
20 |
119.66 |
90.5 |
99.0 |
188.2 |
95.25 |
"24 |
|

|
מידות אוגנים |
||||||||||||||||||||||||
|
Class 300 (mm) |
||||||||||||||||||||||||
|
Nominal Pipe Size |
Outside Diameter |
Thickness |
Thickness of Lap Joint |
Raised Face Diameter |
Corner Radius of Bore |
Bore |
Length thru hub |
Thread Length Threaded Flange (Min) |
Socket Depth |
Diameter Hub at Bevel |
Hub Diameter |
Drilling |
Approximate Weight |
Nominal Pipe Size |
||||||||||
|
Welding Neck Socket |
Slip-On Socket Welding |
Lap Joint |
Welding Neck |
Slip-On Threaded Socket Welding |
Lap Joint |
Bolt Circle Diameter Holes |
Bolt Diameter |
Bolt Number |
Welding Neck |
Slip-On Threaded |
Lap Joint |
Blind |
Socket Welding |
|||||||||||
|
|
O |
C |
C1 |
R |
r |
B1 |
B2 |
B3 |
Y1 |
Y2 |
Y3 |
T |
D |
A |
X |
|
|
|
kg |
kg |
kg |
kg |
kg |
|
|
"1/2 |
95.0 |
12.7 |
14.3 |
34.9 |
3 |
15.8 |
22.2 |
22.9 |
23.6 |
51.0 |
21.0 |
22.0 |
10.0 |
21.3 |
21.3 |
38.0 |
66.7 |
4 |
15.90 |
0.78 |
0.62 |
0.61 |
0.62 |
"1/2 |
|
"3/4 |
115.0 |
14.3 |
15.9 |
42.9 |
3 |
20.9 |
27.7 |
28.2 |
29.0 |
56.0 |
24.0 |
25.0 |
11.0 |
26.7 |
26.7 |
48.0 |
82.6 |
4 |
19.10 |
1.34 |
1.15 |
1.15 |
1.16 |
"3/4 |
|
"1 |
125.0 |
15.9 |
17.5 |
50.8 |
3 |
26.6 |
34.5 |
34.9 |
35.8 |
60.0 |
25.0 |
27.0 |
13.0 |
33.4 |
33.4 |
54.0 |
88.9 |
4 |
19.10 |
1.64 |
1.39 |
1.38 |
1.42 |
"1 |
|
"11/4 |
135.0 |
17.5 |
19.1 |
63.5 |
6 |
35.1 |
43.2 |
43.7 |
44.4 |
64.0 |
25.0 |
27.0 |
14.0 |
42.2 |
42.2 |
64.0 |
98.4 |
4 |
19.10 |
2.06 |
1.67 |
1.66 |
1.79 |
"11/4 |
|
"11/2 |
155.0 |
19.1 |
20.7 |
73.0 |
6 |
40.9 |
49.5 |
50.0 |
50.3 |
67.0 |
29.0 |
30.0 |
16.0 |
48.3 |
48.3 |
70.0 |
114.3 |
8 |
19.10 |
3.06 |
2.53 |
2.52 |
2.68 |
"11/2 |
|
"2 |
165.0 |
20.7 |
23.9 |
92.1 |
8 |
52.5 |
61.9 |
62.5 |
63.5 |
68.0 |
63.0 |
33.0 |
17.0 |
60.3 |
60.3 |
84.0 |
127.0 |
8 |
22.20 |
3.40 |
2.80 |
2.79 |
3.09 |
"2 |
|
"21/2 |
190.0 |
23.9 |
27.0 |
104.8 |
8 |
62.7 |
74.6 |
75.4 |
76.2 |
75.0 |
37.0 |
38.0 |
19.0 |
73.0 |
73.0 |
100.0 |
149.2 |
8 |
22.20 |
5.31 |
4.25 |
4.22 |
4.75 |
"21/2 |
|
"3 |
210.0 |
27.0 |
28.6 |
127.0 |
10 |
77.9 |
90.7 |
91.4 |
92.2 |
78.0 |
41.0 |
43.0 |
21.0 |
88.9 |
88.9 |
117.0 |
168.3 |
8 |
22.20 |
7.32 |
5.81 |
5.78 |
6.79 |
"3 |
|
"31/2 |
230.0 |
28.6 |
30.2 |
139.7 |
10 |
90.1 |
103.4 |
104.1 |
104.9 |
79.0 |
43.0 |
44.0 |
- |
101.6 |
101.6 |
133.0 |
184.2 |
8 |
22.20 |
8.17 |
7.72. |
7.72 |
9.53 |
"31/2 |
|
"4 |
255.0 |
30.2 |
31.8 |
157.2 |
11 |
102.3 |
116.1 |
116.8 |
117.6 |
84.0 |
46.0 |
48.0 |
- |
114.3 |
114.3 |
146.0 |
200.0 |
8 |
22.20 |
11.30 |
10.13 |
10.07 |
12.00 |
"4 |
|
"5 |
280.0 |
33.4 |
35.0 |
185.7 |
11 |
128.2 |
143.8 |
144.4 |
144.4 |
97.0 |
49.0 |
51.0 |
- |
141.3 |
141.3 |
178.0 |
235.0 |
8 |
22.20 |
15.12 |
12.58 |
12.52 |
15.96 |
"5 |
|
"6 |
320.0 |
35.0 |
36.6 |
215.9 |
13 |
154.1 |
170.7 |
171.4 |
171.4 |
97.0 |
51.0 |
52.0 |
- |
168.3 |
168.3 |
206.0 |
269.9 |
12 |
22.20 |
19.68 |
16.04 |
15.95 |
21.20 |
"6 |
|
"8 |
380.0 |
39.7 |
41.3 |
269.9 |
13 |
202.7 |
221.5 |
222.2 |
222.2 |
110.0 |
60.0 |
62.0 |
- |
219.1 |
219.1 |
260.0 |
330.2 |
12 |
25.40 |
30.48 |
24.50 |
24.37 |
34.60 |
"8 |
|
"10 |
445.0 |
46.1 |
47.7 |
323.8 |
13 |
254.6 |
276.2 |
277.4 |
276.2 |
116.0 |
65.0 |
95.0 |
- |
273.0 |
273.0 |
321.0 |
387.4 |
16 |
28.60 |
43.74 |
34.16 |
39.92 |
55.34 |
"10 |
|
"12 |
520.0 |
49.3 |
50.8 |
381.0 |
13 |
304.8 |
327.0 |
328.2 |
328.6 |
129.0 |
71.0 |
102.0 |
- |
323.8 |
323.8 |
375.0 |
450.8 |
16 |
31.80 |
64.41 |
51.26 |
58.70 |
78.90 |
"12 |
|
"14 |
585.0 |
52.4 |
54.0 |
412.8 |
13 |
According To Purchaser Specification |
359.2 |
360.2 |
360.4 |
141.0 |
75.0 |
111.0 |
- |
355.6 |
355.6 |
425.0 |
514.4 |
20 |
31.80 |
88.30 |
72.12 |
83.46 |
107.05 |
"14 |
|
"16 |
650.0 |
55.6 |
57.2 |
469.9 |
13 |
410.5 |
411.2 |
411.2 |
144.0 |
81.0 |
121.0 |
- |
406.4 |
406.4 |
483.0 |
571.5 |
20 |
34.90 |
112.94 |
90.40 |
106.14 |
139.25 |
"16 |
|
|
"18 |
710.0 |
58.8 |
60.4 |
533.4 |
13 |
461.8 |
462.3 |
462.0 |
157.0 |
87.0 |
130.0 |
- |
457.0 |
457.0 |
533.0 |
628.6 |
24 |
34.90 |
138.34 |
109.00 |
133.95 |
176.90 |
"18 |
|
|
"20 |
755.0 |
62.0 |
63.5 |
584.2 |
13 |
513.1 |
514.4 |
512.8 |
160.0 |
94.0 |
140.0 |
- |
508.0 |
508.0 |
587.0 |
685.8 |
24 |
34.90 |
167.37 |
136.00 |
157.65 |
233.17 |
"20 |
|
|
"24 |
915.0 |
68.3 |
69.9 |
692.2 |
13 |
616.0 |
616.0 |
614.4 |
167.0 |
105.0 |
152.0 |
- |
610.0 |
610.0 |
702.0 |
812.8 |
24 |
41.30 |
235.41 |
204.00 |
240.40 |
342.00 |
"24 |
|

*התוכן המוצג במסמך זה אינו מהווה תחליף לייעוץ מקצועי כזה או אחר והשימוש בו הוא באחריות המשתמשים בלבד.
טכנובר לא תישא באחריות במקרה של טעויות ו/או אי-דיוקים.
